GPIO Connectors (CoF Frame Grabbers)#
This allows you to set up a detailed and complex trigger system, including:
- Receive trigger signals from external devices like Shaft Encoders, light barriers, etc. (trigger IN).
- Send trigger signals from the frame grabber to external devices like camera, lighting, etc. (trigger OUT)
- Receive software triggers.
Info
The triggers of the imaFlex 2 Dual 100 frame grabber must be configured via applets. While this topic describes the hardware interfaces and physical connections, the software configuration cannot be done using standard trigger and GPIO configuration tools (such as gpioTool or Pylon parameters). For detailed information on configuring triggers via applets, refer to the following documentation:
- VisualApplets documentation, specifically, the AppletProperties Operator Documentationa
- Application Note: Designing Signal Processing Applets for Programmable Frame Grabbers
- Chapter Miscellaneous/GPIO Configuration of your standard applet documentation for imaFlex 2 Dual 100
By using triggers, you are able to control the image acquisition process. You can, for example, acquire an image at a particular moment in time, define when to accept an image delivered by the camera, specify how many lines should be acquired, or control the lighting.
Trigger Interfaces on the imaFlex 2 Dual 100#

The imaFlex 2 Dual 100 frame grabber offers the following trigger interfaces:
- Front GPIO on the slot bracket: One SUB-D 26-pin connector.
- GPIO trigger board connector (34 pin): One 34-pin socket (trigger unit "GPIO") for connecting an additional trigger board (Opto Trigger 5 or TTL Trigger).
- C0/C1 QSFP28 connectors: Up to 16 CoF trigger type packets over QSFP28 connector when connecting to a CoF camera.
Input Configuration#
imaFlex 2 Dual 100 offers two independent GPI groups, each containing 4 GPIs. A GPI group can be configured to be differential or single-ended. The configuration is applied to all GPI signals within the group. One group can be differential and the other single-ended, or both differential, or both single-ended. Single-ended is the default mode.
- In differential mode, you can use the GPIs on the Front GPIO for receiving up to 2 differential signals in each group, i.e., 4 over both groups together.
- In single-ended mode, you can use the GPIs on the Front GPIO for receiving up to 4 single-ended signals in each group, i.e., 8 over both groups together.
Front GPI Groups#
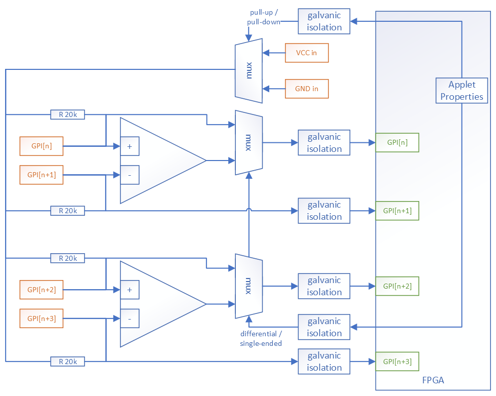
The front GPIO interface provides two independent GPI groups, each containing four GPI signals. Every group has its own dedicated power-supply pins on the connector, allowing the groups to operate at different voltage levels. Configuration of each group is performed in the FPGA through software, using the parameters of the AppletProperties VisualApplets operatora.
Each GPI group can be configured to enable either a 20 kΩ pull-up or a 20 kΩ pull-down resistor on all its inputs. In addition, the group's operation mode can be switched between differential and single-ended signaling.
In differential mode, only GPI[n] and GPI[n+2] carry valid information. The intermediate signals (GPI[n+1] and GPI[n+3]) do not provide meaningful data and should be ignored (treated as don't care). In single-ended mode, all four GPI signals of the group are available and carry valid information.
All group GPIs and their power supply and control signals are galvanically isolated.
The following figure illustrates a logical block diagram of a single GPI group.

Differential Mode#
In differential mode, the four GPIs of each front GPI group are configured to receive differential signals. Only the even numbered GPI signals provide meaningful data to the FPGA. The corresponding odd numbered GPIs must be treated as don't care signals.
The front GPIO interface consists of two groups:
- Group 03: GPI[0], GPI[1], GPI[2], GPI[3]
- Group 47: GPI[4], GPI[5], GPI[6], GPI[7]
The GPI numbering corresponds directly to the FPGA applet numbers shown in VisualApplets operators (1:1 mapping).
The table below describes the meaning of each GPI pin when both groups are configured for differential operation.
| Pin Number | Signal Type | Reference Signal |
|---|---|---|
| 1 | FrontGpi6, differential input 6 (+) | VccIn47 (pin 19) / GndIn47 (pin 20) |
| 2 | FrontGpi7, differential input 6 (-) | VccIn47 (pin 19) / GndIn47 (pin 20) |
| 3 | FrontGpi2, differential input 2 (+) | VccIn03 (pin 21) / GndIn03 (pin 22) |
| 4 | FrontGpi3, differential input 2 (-) | VccIn03 (pin 21) / GndIn03 (pin 22) |
| 10 | FrontGpi4, differential input 4 (+) | VccIn47 (pin 19) / GndIn47 (pin 20) |
| 11 | FrontGpi5, differential input 4 (-) | VccIn47 (pin 19) / GndIn47 (pin 20) |
| 12 | FrontGpi0, differential input 0 (+) | VccIn03 (pin 21) / GndIn03 (pin 22) |
| 13 | FrontGpi1, differential input 0 (-) | VccIn03 (pin 21) / GndIn03 (pin 22) |
| 19 | VccIn47 (isolated VCC for input group 47) | GndIn47 (pin 20) |
| 20 | GndIn47 (isolated ground for input group 47) | VccIn47 (pin 19) |
| 21 | VccIn03 (isolated VCC for input group 03) | GndIn03 (pin 22) |
| 22 | GndIn03 (isolated ground for input group 03) | VccIn03 (pin 21) |
| Shield | GND (non-isolated board ground / earth / bracket) |
Single-Ended Mode#
In single-ended mode, the 4 GPIs of the Front GPI group are configured to receive 4 independent single-ended signals. The GPI numbering corresponds directly to the FPGA applet numbers shown in VisualApplets operators (1:1 mapping).
The table below describes the meaning of each GPI pin when both groups are configured for single-ended operation.
| Pin Number | Signal Type | Reference Signal |
|---|---|---|
| 1 | FrontGpi6, input 6 | VccIn47 (pin 19) / GndIn47 (pin 20) |
| 2 | FrontGpi7, input 7 | VccIn47 (pin 19) / GndIn47 (pin 20) |
| 3 | FrontGpi2, input 2 | VccIn03 (pin 21) / GndIn03 (pin 22) |
| 4 | FrontGpi3, input 3 | VccIn03 (pin 21) / GndIn03 (pin 22) |
| 10 | FrontGpi4, input 4 | VccIn47 (pin 19) / GndIn47 (pin 20) |
| 11 | FrontGpi5, input 5 | VccIn47 (pin 19) / GndIn47 (pin 20) |
| 12 | FrontGpi0, input 0 | VccIn03 (pin 21) / GndIn03 (pin 22) |
| 13 | FrontGpi1, input 1 | VccIn03 (pin 21) / GndIn03 (pin 22) |
| 19 | VccIn47 (isolated VCC for input group 47) | GndIn47 (pin 20) |
| 20 | GndIn47 (isolated ground for input group 47) | VccIn47 (pin 19) |
| 21 | VccIn03 (isolated VCC for input group 03) | GndIn03 (pin 22) |
| 22 | GndIn03 (isolated ground for input group 03) | VccIn03 (pin 21) |
| Shield | GND (non-isolated board ground / earth / bracket) |
Using Differential Mode and Single-Ended Mode Simultaneously
Each GPI group operates independently, so one group may be configured for differential mode while the other is configured for single-ended mode. The configuration of one group has no impact on the operation of the other.
Electrical Characteristics of the Physical Inputs#
| Description | Minimum | Typical | Maximum | Unit |
|---|---|---|---|---|
| Supply voltage | 4.5 | 26 | VDC | |
| Input threshold | 20 % supply voltage | VDC | ||
| Differential input offset voltage | 50 | mV | ||
| Bias current at GPI pin | -25 | -400 | nA | |
| Total current at GPI group voltage IN | -50 | mA |
Timing Characteristics of the Physical Inputs#
| Description | Typical | Unit |
|---|---|---|
| Propagation delay | 300 | ns |
| Minimum pulse width | 200 | ns |
| Maximum frequency | 2.5 | MHz |
Front GPO Groups (Trigger Output)#
The front GPIO interface consists of two groups:
- Group 03: GPO[0], [1], [2], [3]
- Group 47: GPO[4], [5], [6], [7]
Every group has its own dedicated power-supply pins on the connector, i.e., if 5 V is externally supplied to the group power supply pins, the output GPO signal in that group will be the classical 5 V CMOS level compatible with 5 V TTL. The external power supply can be in the range between 4.5 V- 26 V.
The following figure illustrates a logical block diagram of a single GPO group.

Electrical Characteristics of the Physical Outputs#
| Description | Value |
|---|---|
| Output voltage high (VOH) | min. VCC out – 0.4 V @ -6. 5 mA |
| Output voltage low (VOL) | max. 0.4 V @ 6.5 mA |
| Output current (IO) | ± 50 mA |
5 V Out (Max. Current 500 mA)
The front GPIO connector provides a voltage output pin that supplies 5 VDC. This power supply can be used to power GPO and GPI circuits when an external power supply is not available. The maximum current is 500 mA.
Timing Characteristics of the Physical Outputs#
| Description | Typical | Maximum | Unit |
|---|---|---|---|
| Rise/fall time | 3 | 30 | ns |
| Propagation delay | 70 | ns |
GPIO Trigger Board Connector (34-Pin)#
Via the GPIO trigger board connector (34 pin), you can connect the frame grabber to a trigger extension board.

The following figure shows how the frame grabber may be used in conjunction with a trigger extension board:

The GPIO trigger board connector offers:
- 8 digital inputs (IN 0–7)
- 8 digital outputs (OUT 0–7).
The eight inputs are numbered from 0 to 7. The eight outputs range from 0 to 7.
The GPIO connector is used for connecting a trigger extension board. How the physical interface of the trigger extension board is configured (TTL or opto-decoupled, pull-up, pull-down, differential, or single-ended signals) depends on the trigger extension board you are using. For details, see Opto-Coupled Trigger 5 or TTL Trigger.
For installation instructions, see Installing a Trigger Extension Board.
For details on connecting one or multiple frame grabber devices to one or multiple trigger boards, see Synchronizing Multiple Boards.
Pin Layout for the GPIO Trigger Board Connector (34-Pin)#
The 34-pin flat cable can connect the frame grabber to an external trigger board. All Basler frame grabbers offer 8 digital inputs (IN 0–7) and 8 digital outputs (OUT 0–7).
You can configure how the individual inputs and outputs are used via applet. Refer to the documentation of the applet you're using.

| Pin # (Odd) | I/O Name | Pin # (Even) | I/O Name |
|---|---|---|---|
| 1 | Trigger Output 0 | 2 | +3.3 VDC |
| 3 | Trigger Output 1 | 4 | +3.3 VDC |
| 5 | Trigger Output 2 | 6 | GND |
| 7 | Trigger Output 3 | 8 | GND |
| 9 | Trigger Input 0 | 10 | GND |
| 11 | Trigger Input 1 | 12 | GND |
| 13 | Trigger Input 2 | 14 | GND |
| 15 | Trigger Input 3 | 16 | GND |
| 17 | Trigger Output 4 | 18 | GND |
| 19 | Trigger Output 5 | 20 | GND |
| 21 | Trigger Output 6 | 22 | GND |
| 23 | Trigger Output 7 | 24 | GND |
| 25 | Trigger Input 4 | 26 | GND |
| 27 | Trigger Input 5 | 28 | GND |
| 29 | Trigger Input 6 | 30 | GND |
| 31 | Trigger Input 7 | 32 | VCCIO (+2.5 VDC/ 3.3 VDC) |
| 33 | Presence Detect | 34 | VCCIO (+2.5 VDC/ 3.3 VDC) |
All GPO signals are driven by push-pull drivers.
Refer to the section Opto Trigger 5 and TTL Trigger to learn how trigger extension boards are connected and used. Refer to the specific applet documentation to learn how the trigger signals can be used.
Connecting Trigger Sources with and without Power Supply to Front GPIO#
Usually there are 2 types of trigger devices:
- Devices which provide power supply for their GPIO, and
- Devices which expect external power supply to be provided.
imaFlex 2 Dual 100 can be used in combination with both types of devices.
Source Devices Providing Power Supply for their GPIO#
This section shows an example of how to connect a shaft encoder that provides GPIO power supply to the imaFlex 2 Dual 100. The shaft encoder connects differentially to the GPI group 03.

Source Devices Expecting External Power Supply for their GPIO#
This section shows an example of how to connect a shaft encoder that expects external GPIO power supply to the imaFlex 2 Dual 100.
Make sure to connect VccIn03 to 5VOutIso and GndIn03 to GndOutIso in addition to connecting the shaft encoder supply pins. This is required to power the frame grabber GPI circuitry.

Sink Devices Providing Power Supply for their GPIO#
This chapter shows an example of how to connect a control sink that provides GPIO power supply to the imaFlex 2 Dual 100.
The control sink connects differentially to GPO group 03 port[0] and port[1.

Sink Devices Expecting Power Supply for their GPIO#
This section shows an example of how to connect a sink that expects external GPIO power supply to the imaFlex 2 Dual 100.
The control sink connects differentially to GPO group 03 port[0] and port[1].
Make sure to connect VccOut03 to 5VOutIso and GndOut03 to GndOutIso in addition to connecting the sink supply pins. This is required to power the frame grabber GPO circuitry.

5 V Frame Grabber External Supply
Every Basler frame grabber provides 5 V power supply to connect external devices requiring external GPIO power supply. Those 5 V can sustain maximally 500 mA current across all sourced GPIO ports.
Trigger Extension Boards#
Trigger extension boards are useful to perform various tasks at small latencies, for example:
- Controlling cameras
- Controlling peripheral devices
- Synchronizing multiple frame grabbers
All trigger extension boards available for Basler frame grabbers offer the following:
- 8 digital inputs (IN 0–7) (8 single-ended signals or 4 differential signals)
- 8 digital outputs (OUT 0–7).
For more information, see Opto-Coupled Trigger 5 and TTL Trigger.
Applet-Specific Trigger Settings#
Using applets, you can configure how the individual I/Os of the trigger extension board are employed. Refer to Configuring the Trigger Options within an Applet and to the documentation of the specific applet you're using.
Configuring the Trigger Options within an Applet#
You can access the trigger configuration of an applet as follows:
- microDisplay X: Allows you to trigger parameter values via GUI.
- Framegrabber API: Allows the frame grabber to be integrated into a specific image processing application.
The demands on the trigger system vary depending on your application:
- For area scan, only one trigger type is required (frame trigger).
- For line scan, two trigger types are required: Line trigger (sends a trigger pulse for each line) and frame trigger. In a line scan application, the frame trigger controls how many lines are appended to an image.
For information which parameters are available (and which effects settings may have), refer to the documentation of the applet you are using.
-
All imaFlex 2 Dual 100-specific operators are included in VisualApplets version 3.7.50. This version is provided through Basler Customer Support upon request and is not offered via the standard public software download. ↩↩